Page 476 - Hydrover-hydraulic-integrated-circuits-catalogue
P. 476
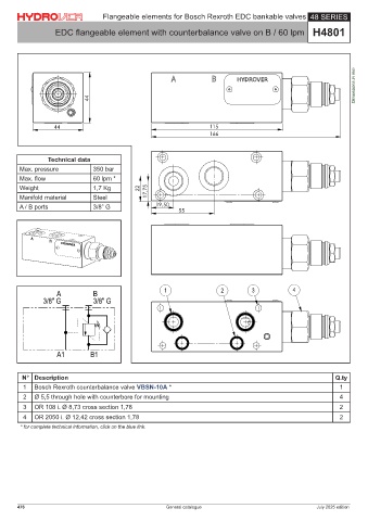
Flangeable elements for Bosch Rexroth EDC bankable valves 48 SERIES
EDC flangeable element with counterbalance valve on B / 60 lpm H4801
Dimensions in mm
44
44 115
166
Technical data
Max. pressure 350 bar
Max. flow 60 lpm *
Weight 1,7 Kg 22 17,75
Manifold material Steel
A / B ports 3/8” G 19,50
55
A B 1 2 3 4
3/8" G 3/8" G
A1 B1
N° Description Q.ty
1 Bosch Rexroth counterbalance valve VBSN-10A * 1
2 Ø 5,5 through hole with counterbore for mounting 4
3 OR 108 i. Ø 8,73 cross section 1,78 2
4 OR 2050 i. Ø 12,42 cross section 1,78 2
* for complete technical information, click on the blue link.
476 General catalogue July 2025 edition

